





Preview
基本信息产品详情证书
基本信息
型号编号 | SSI-GXGT |
噪音水平 | 定制化 |
部分 | 定制化 |
目的 | 定制化 |
定制的 | 定制的 |
售后服务 | 全球服务可用 |
保修 | 12个月 |
坦克材料 | 编号 |
类型 | 诺 |
存储对象 | 没有 |
特性 | 耐磨性 |
字符 | 耐用的 |
机器大小 | 大 |
用法 | 定制化 |
交通包裹 | 裸体 |
规格 | 根据项目确定 |
商标 | SSI |
起源 | 中国 |
商品编码 | 8419609090 |
生产能力 | 每年100套 |
产品详情
Product Description
Preview
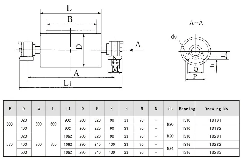
Redirection drum
The turning drum is an important part of belt conveyor to form closed-loop conveying. Our company can provide excellent products.
The turning drum is an important part of belt conveyor to form closed-loop conveying. Our company can provide excellent products.
Preview

Preview

Preview
We are a professional company in bulk material handling, transportation, storage, processing, accessory equipment design, integration and manufacturing. We can provide a complete set of solutions. Thank you for reading the information and welcome to purchase! Welcome to agent distribution!
Brief
The company's headquarters, technology and sales are located in Lingang New Area of China (Shanghai) pilot free trade zone,The company's manufacture base is located in Tonglu county, Zhejiang Province, which is known as "the most beautiful county in China". It is 65 kilometers away from Hangzhou city and 60 kilometers away from Qiandao Lake. The transportation to Tonglu county from other places is very convenient. No matter by railway, highway or waterway. The manufacture base has a total plant area of around 30000 square meters and workshop is equipped with more than 300 sets of various advance manufacture equipment, including 20 sets of CNC precision vertical lathe MODEL: SMVTM12000×50/150, CNC vertical lathe MODEL:DVT8000×30/32, CNC horizontal lathe, MODEL: CK61315×125/32, CNC horizontal lathe MODEL:CK61200×80/32, CNC Grounding boring and milling machine MODEL:TJK6920,etc.Most of the parts are machined by using CNC machine equipment. Theis is a hot treatment furnace with size 10.5m×8m×8m. The manufacture base also equipped with lifting capacity of 25t, 50t, 100t, 200t overhead crane to handle heavy workpiece and assembly work.
Products and services available
Material handling equipment
Brief
The company's headquarters, technology and sales are located in Lingang New Area of China (Shanghai) pilot free trade zone,The company's manufacture base is located in Tonglu county, Zhejiang Province, which is known as "the most beautiful county in China". It is 65 kilometers away from Hangzhou city and 60 kilometers away from Qiandao Lake. The transportation to Tonglu county from other places is very convenient. No matter by railway, highway or waterway. The manufacture base has a total plant area of around 30000 square meters and workshop is equipped with more than 300 sets of various advance manufacture equipment, including 20 sets of CNC precision vertical lathe MODEL: SMVTM12000×50/150, CNC vertical lathe MODEL:DVT8000×30/32, CNC horizontal lathe, MODEL: CK61315×125/32, CNC horizontal lathe MODEL:CK61200×80/32, CNC Grounding boring and milling machine MODEL:TJK6920,etc.Most of the parts are machined by using CNC machine equipment. Theis is a hot treatment furnace with size 10.5m×8m×8m. The manufacture base also equipped with lifting capacity of 25t, 50t, 100t, 200t overhead crane to handle heavy workpiece and assembly work.
Products and services available
Material handling equipment
Preview

Preview
S
Preview

Preview
Conveying equipment
Preview

Preview
Feeding equipment
Preview

Preview
Component of conveying system
Preview

Preview
Belt conveyor parts
Preview

Preview
Large and medium sized finishing parts
Preview

Preview
If you need above products, please contact us!
Shanghai S
Shanghai S
Preview
证书
标题:营业执照



Preview
带式输送机头鼓式滑轮、收卷鼓式滑轮
¥2215.44 ~ ¥44337.76
化工产业链 · 天然气生产设备及零件 · 其他气体生产设备及零件
产地中国