





Preview
基本信息产品详情证书
基本信息
型号编号 | WS145110-48-150-X300 |
水流方向 | 轴向流 |
压力 | 高压 |
认证 | RoHS:限制使用某些有害物质指令;ISO:国际标准化组织;CE:欧洲统一(EEC指令下的一种认证标志);Reach:化学物质登记、评估、授权和限制规定。 |
型号号 | WS145110-48-150-X300 |
额定电压 | 48V(伏特) |
权力等级 | 144瓦至422瓦 |
气压 | 32千帕 |
气流 | 33立方米每小时(19立方英尺每分钟) |
噪音水平 | 69dba-90dba |
速度水平 | 每分钟转速为13000至15000转。 |
轴承 | NMB轴承 |
保护水平 | IP54 |
交通运包 | 每箱100单位 |
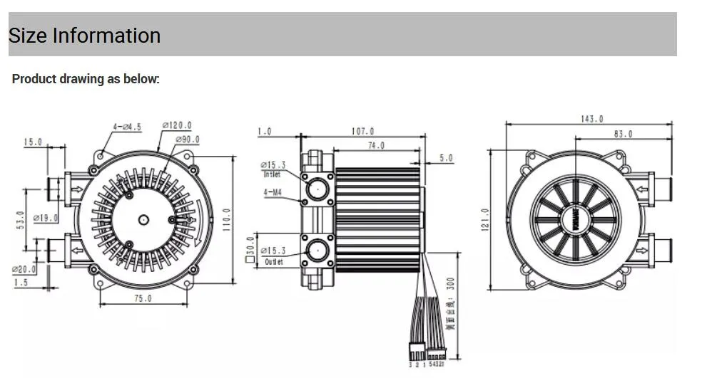
规格说明 | D145毫米×110毫米 |
商标 | 旺斯马特 |
起源 | 中国 |
商品编码 | 8414519900 |
生产能力 | 每年 18 万件 |
产品详情

Preview

Preview

Preview
Notes:
1.Do not use max pressure ad working point,this point is not safe since airflow is too small
2.To add a filter onto the inlet can make the blower run longer time
3.The right impeller run direction is CCW
1.Do not use max pressure ad working point,this point is not safe since airflow is too small
2.To add a filter onto the inlet can make the blower run longer time
3.The right impeller run direction is CCW
Preview

Preview
Related products
Preview
Packaging & Shipping
Preview

Preview
Company Profile
Preview

Preview

Preview
FAQ
Preview
Are you factory or trading company?
We are factory with 4,000 square meters and we have been focus on high pressure BLDC
blowers for more than 10 yearsCan you design a new blower fan if we give you target performance?
Yes, we offer ODM service for both blower fan and controller boardCan we connect this centrifugal air blower directly onto power source?
This blower fan is with BLDC motor inside and it needs a controller board to run.What kind of power source shall we use to drive this blower fan?
Generally, our customers use 24vdc switching power supply or Li-on battery.Do you also sell controller board for this blower fan?
Yes, we can supply adapted controller board for this blower fan.How to change impeller speed if we use your controller board?
You can use 0~5v or PWM to change speed. Our standard controller board is also with a
potentiometer to change speed conveniently.What is the MTTF of this centrifugal air blower?
MTTF of this centrifugal air blower is 20,000+ hours under 25 C degree.Can we use this centrifugal air blower to suct water?
This blower fan can not be used to suck water. If you need to suck water, you can ask us to
choose proper item for this special working condition.Can we use this centrifugal air blower to suck dust directly?
This blower fan can not be used to suck dust directly.If you need to suck dust, you can ask
us to choose proper item for this special working condition.What can do if the working condition is dirty?
A filter is strongly recommended to assemble onto the the inlet of the blower fanHow to decrease the noise of the blower?
Many of our customers use foam, silicone to fill between blower fan and machine to insulate
the blower noise.
We are factory with 4,000 square meters and we have been focus on high pressure BLDC
blowers for more than 10 yearsCan you design a new blower fan if we give you target performance?
Yes, we offer ODM service for both blower fan and controller boardCan we connect this centrifugal air blower directly onto power source?
This blower fan is with BLDC motor inside and it needs a controller board to run.What kind of power source shall we use to drive this blower fan?
Generally, our customers use 24vdc switching power supply or Li-on battery.Do you also sell controller board for this blower fan?
Yes, we can supply adapted controller board for this blower fan.How to change impeller speed if we use your controller board?
You can use 0~5v or PWM to change speed. Our standard controller board is also with a
potentiometer to change speed conveniently.What is the MTTF of this centrifugal air blower?
MTTF of this centrifugal air blower is 20,000+ hours under 25 C degree.Can we use this centrifugal air blower to suct water?
This blower fan can not be used to suck water. If you need to suck water, you can ask us to
choose proper item for this special working condition.Can we use this centrifugal air blower to suck dust directly?
This blower fan can not be used to suck dust directly.If you need to suck dust, you can ask
us to choose proper item for this special working condition.What can do if the working condition is dirty?
A filter is strongly recommended to assemble onto the the inlet of the blower fanHow to decrease the noise of the blower?
Many of our customers use foam, silicone to fill between blower fan and machine to insulate
the blower noise.
Preview
证书
标题:ROHS



Preview
110mm小型无刷直流电32kpa 19cfm空气流量燃料电池涡旋再生鼓风机
¥760.2 ~ ¥1000.57
化工产业链 · 温湿度控制设备 · 通风设备
产地中国