





Preview
基本信息产品详情证书
基本信息
型号/编号 | CNR |
尺寸 | 小型 |
环境 | 小于250℃ |
断线容量 | 一般类型 |
断裂的形式 | 单一类型 |
应用 | 自动售货机 |
品牌 | 齐比(Zippy) |
认证 | ISO9001, CE |
交通包 | 纸箱 |
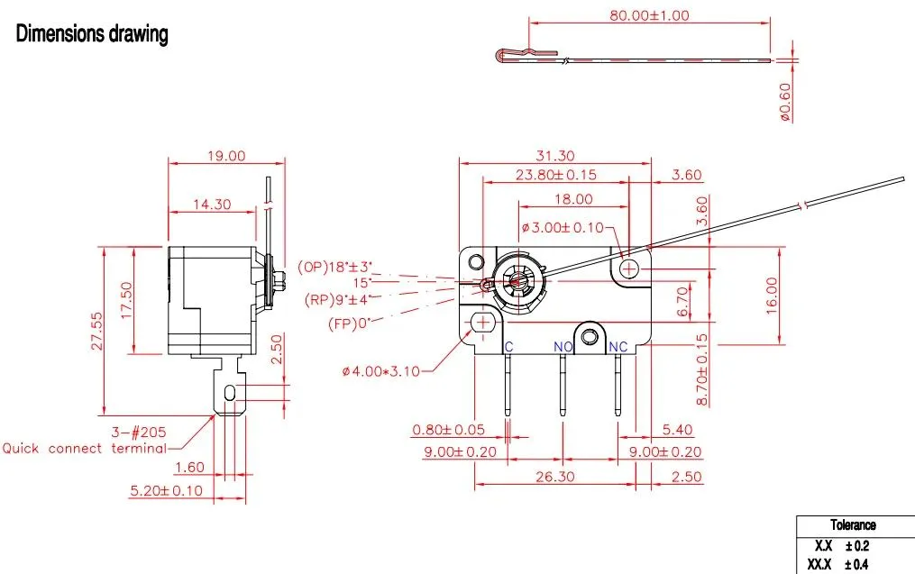
规格 | 12.8乘以7.2乘以5.8 |
商标 | 齐比 |
起源 | 中国 |
商品编码 | 8536500000 |
生产能力 | 每天1万件 |
产品详情
Product Parameters
Preview

Preview

Preview
Product Description
Preview

Preview

Preview
Features:
Undertake factory order
Undertake factory order
Preview

Preview
证书
标题:kinghor代理证书



Preview
Zippy Cnr-05s-03-Z Cnr大行程轻便扭力强劲回弹替代D2mc长杠杆限位微动开关
¥6.37
消费电子产业链 · 转变 · 微动开关
品牌齐比(Zippy)
产地中国