





Preview
基本信息产品详情证书
基本信息
型号编号 | 限位开关 |
应用程序 | 起重机吊车 |
无接触式 | 感应开关 |
联系/ 联系人 | 联系/ 联系人 |
产品名称 | 限位开关 |
特征 | 防水 |
材料 | 强化玻璃纤维尼龙 |
用法 | 起重机或起重机保护 |
操作头移动 | 旋转的 |
运算符类型 | 不锈钢 |
类型 | 交叉杆杠杆 |
接触操作 | 慢速断裂,交错式 |
联系类型与操作 | 2乘以(2奈克) |
推杆 | 300毫米 |
工作温度 | 零下25度加70度 |
结构部分 | PA66工程塑料 |
微动开关 | 四或六 |
旋转 | 180度或360度 |
最大电压 | 240伏 |
运输包 | 标准纸箱包装 |
规格 | 一盒有 12 套 |
商标 | 瑞文博 |
起源 | 中国 |
商品编码 | 84251100 |
生产能力 | 每年五十万件 |
包装尺寸 | 30.00cm * 21.50cm * 26.00cm |
包装总重量 | 0.5千克 |
包装尺寸 | 30.00cm乘以21.50cm乘以26.00cm |
包装总重量 | 0.5千克 |
产品详情
Product Description
Preview
The new position limit switch designed for controlling the movement of overhead travelling cranes, hoists and complex machine tools. Sturdy and reliable, it is particularly suitable for use in harsh operating conditions. This crossed rods limit switch triggers a slowing of the machines before the stop. This smooth braking sensibly reduce the risk of crashing due to sudden halts.They are fitted with 4 micro switches .and It functions both clockwise and counter clockwise.
A limit switch is a critical component of overhead crane safety. Limit switches are electromechanical devices that regulate everything from household appliances to industrial machinery. And for an overhead crane, they provide solid, established points of reference for maintaining efficiency, reliability and safety standards.
Limit switches have practically limitless applications in regulating crane operation to prevent potential incidents. For instance, when ropes come out of groove or in preventing two trolleys from impacting on the same bridge structure.
In addition, a limit switch keeps a crane from lifting loads above rated capacity. Another kind of limit switch prevents a hoist from reaching the upper block and rope drum. Yet another type protects motors from overheating.
Rotary Limit Switch Features: 1. Sturdy design Long life 2. Requires less maintenance 3. High cost performance and reliable
A limit switch is a critical component of overhead crane safety. Limit switches are electromechanical devices that regulate everything from household appliances to industrial machinery. And for an overhead crane, they provide solid, established points of reference for maintaining efficiency, reliability and safety standards.
Limit switches have practically limitless applications in regulating crane operation to prevent potential incidents. For instance, when ropes come out of groove or in preventing two trolleys from impacting on the same bridge structure.
In addition, a limit switch keeps a crane from lifting loads above rated capacity. Another kind of limit switch prevents a hoist from reaching the upper block and rope drum. Yet another type protects motors from overheating.
Rotary Limit Switch Features: 1. Sturdy design Long life 2. Requires less maintenance 3. High cost performance and reliable
Preview

Preview
Product Advantages
Preview

Preview

Preview

Preview

Preview
Packaging & Shipping
Preview

Preview

Preview
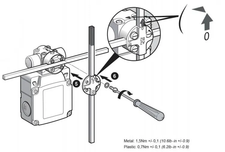
Product Instruction
Preview

Preview

Preview
About Us
Preview

Preview
证书
标题:CE认证永久磁铁吊车证书



Preview
工厂用头顶电动环链式起重机,最大电压240V,双速交叉杠杆,180度或360度限位开关,旋转头。
¥361.28 ~ ¥723.28
消费电子产业链 · 转变 · 限位开关
产地中国