





Preview
基本信息产品详情证书
基本信息
| 型号编号 | GW23-252 |
| 操作 | 手册 |
| 接地模式 | 接地 |
| 运动模式 | 水平旋转式 |
| 极数 | 单极性 |
| 接地 | 单接地 |
| 系列 | 单级 |
| 运行 | 旋转水平方向 |
| 转换模式 | 一次投掷 |
| 经营结构 | 手册 |
| 认证 | CE, IS9001, ISO9001 |
| 额定电压 | 252千伏 |
| 定制化 | 可接受的 |
| 语言 | led格栅板灯 |
| 价格 | 可协商的 |
| 额定电流 | 3150A(无特定意义,需更多上下文信息) |
| 运输包 | 纸箱或其他 |
| 规格 | 按要求 |
| 商标 | 赫兹 |
| 起源 | 中国 |
| 生产能力 | 每年5万件 |
产品详情
Company Profile
Preview
Henan Energy Electric Equipment Co., Ltd. was established in 2011 and is an excellent and reliable power equipment manufacturer in China. The company mainly develops and produces oil-immersed transformers, dry-type transformers, box-type substations, high-voltage switches, and medium and low voltage complete sets of equipment. The equipment put into production and operation of the project advocates energy saving, intelligence, informatization, and mechanization. The company has established the Henan Triangle Energy-saving Transformer Engineering Technology Research Center, with 71 utility model patents and 15 invention patents. With years of accumulation in the transformer industry and strong technological innovation capabilities, HZEC products are sold to the Middle East, North America, South America, Europe, Southeast Asia, Africa, and other regions, covering more than 40 countries.
Preview

Preview
Application: double-column horizontal fold type three-phase AC 50Hz outdoor HV electricalapparatus, for switching under of-load condition and electrical disconnection between electricalapparatus and live circuit in rated voltage 220kV power system.Standard: lEC 62271-102.
Type description:
G: DisconnectorW: Outdoor23: Design No.252: Rated voltageD: With earthing blade
Product Parameters
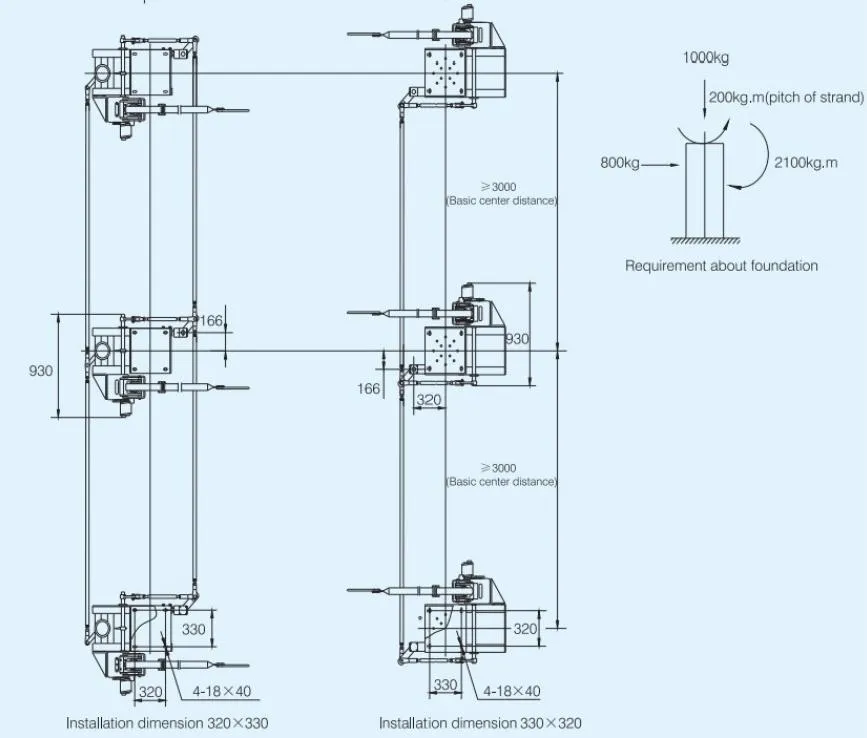
Structure Diagram
Type description:
G: DisconnectorW: Outdoor23: Design No.252: Rated voltageD: With earthing blade
Product Parameters
Structure Diagram
Preview

Preview

Preview
Service Environment
1. Altitude:<2000m2. Ambient air temperature:-40ºC-+40'C3.Max wind velocity:34m/s4.Seismic:Horizontal acceleration: 0.250g
Vertical acceleration: 0.125g5.Thickness of ice:<10mm6. Pollution level of insulator: III(25mm/kV),IV(31mm/kV)7. Installation area without fire, explosion, chemical corrosion and frequent shocking
Ordering Instructions
Please specify the following items when ordering:1. Model, specification and quantity of disconnector.2. Rated current, rated short time and peak withstand current.3. Pollution level and altitude.4. Please indicate whether fitted with earthing blade, in which side and whether fitted withelectromaqnetic lock.5. The electric motor voltage, control voltage and auxiliary poles of electric operating mechanismNote: Customized products are available.
1. Altitude:<2000m2. Ambient air temperature:-40ºC-+40'C3.Max wind velocity:34m/s4.Seismic:Horizontal acceleration: 0.250g
Vertical acceleration: 0.125g5.Thickness of ice:<10mm6. Pollution level of insulator: III(25mm/kV),IV(31mm/kV)7. Installation area without fire, explosion, chemical corrosion and frequent shocking
Ordering Instructions
Please specify the following items when ordering:1. Model, specification and quantity of disconnector.2. Rated current, rated short time and peak withstand current.3. Pollution level and altitude.4. Please indicate whether fitted with earthing blade, in which side and whether fitted withelectromaqnetic lock.5. The electric motor voltage, control voltage and auxiliary poles of electric operating mechanismNote: Customized products are available.
Preview
Packaging & Shipping
Preview

Preview

Preview

Preview
Certifications
Preview

Preview
证书
标题:ISO9001 Certificate

Preview


焦作
已认证
