





Preview
基本信息产品详情
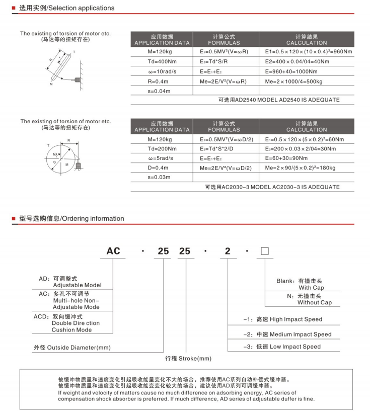
基本信息
适用行业 | 建材店、制造厂、机械维修店、食品饮料厂、印刷店、建筑工程、能源与采矿、食品与饮料店、广告公司 |
重量 | 0.25 |
展厅位置 | 无/没有 |
视频外出检验 | 已提供 |
机械试验报告 | 提供 |
营销类型 | / |
类型 | 源处理装置 |
原产地 | 中国浙江 |
条件 | 新 |
材料 | / |
产品名称 | AD系列可调缓冲器 |
用法 | 适用于机械手、气缸自动化机械等 |
材料 | 铁 |
保修 | 一年 |
颜色 | 黑色 |
重量 | 245克 |
尺寸 | 定制 |
最小订单量 | 1 |
交货时间 | 45488 |
应用程序 | 空调系统 |
产品详情
产品描述

Preview

Preview

Preview

Preview

Preview

Preview

Preview

Preview

Preview

Preview
广泛使用的优质液压缓冲器Ad2030-5 可调式液压减震器
¥328.52 ~ ¥343.04
消费电子产业链 · 电子配件及用品 · 缓冲材料