





Preview
基本信息产品详情
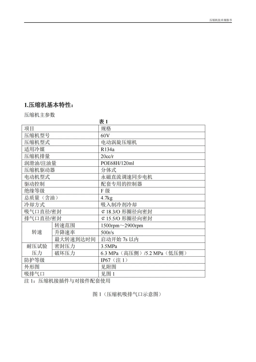
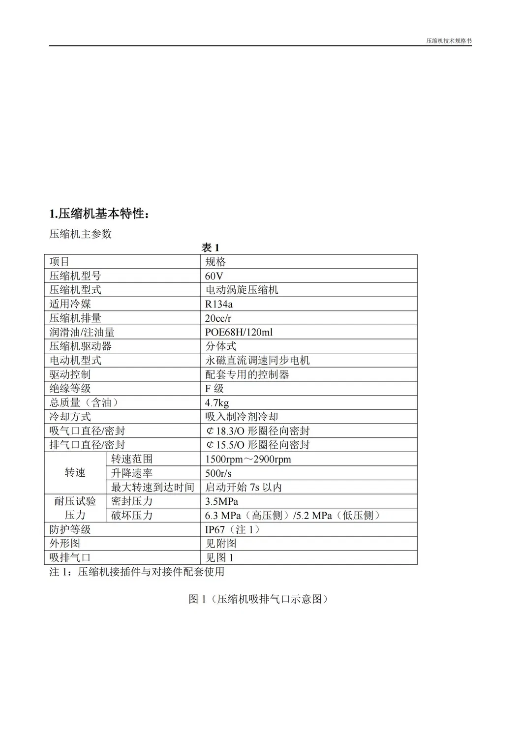
基本信息
型号 | 高效能源汽车压缩机 |
起源 | 中国 |
产能 | 1000000/年 |
产品详情
Product Description
Preview

Preview

Preview

Preview

Preview

Preview

Preview

Preview

Preview
Unleash the power of precision with our High-Efficiency Energy Car Compressor, a cutting-edge solution engineered for the next generation of energy vehicles. Experience unmatched performance and reliability that drive innovation forward.Elevate your driving experience with our New Energy Car Condenser, meticulously crafted to deliver superior cooling efficiency. Designed to meet the demands of modern vehicles, it ensures optimal performance and energy conservation.Discover excellence in climate control with our Advanced Car Conditioning Compressor. This state-of-the-art unit offers unparalleled efficiency, ensuring your car's interior remains perfectly comfortable regardless of external conditions.Introducing the Professional Grade Car Compressor, designed for those who demand the best. This superior compressor combines robust construction with advanced technology to deliver peak performance under all conditions.Presenting the High-Efficiency Car Compressor Unit, where engineering meets innovation. Designed to enhance your vehicle's performance, it offers exceptional durability and efficiency that stands the test of time.Step into the future of automotive excellence with our Advanced Car Condenser Compressor. Crafted for precision and durability, this compressor ensures your vehicle operates at peak performance while maximizing energy efficiency.Revolutionize your car's cooling system with the High-Efficiency Air Conditioning Compressor, designed to provide consistent, reliable, and powerful cooling performance. It's the ultimate upgrade for those who settle for nothing but the best.Experience top-tier performance with the Professional Grade Car Condenser, engineered for those who value quality and reliability. This condenser offers exceptional cooling power, ensuring peak efficiency and longevity.Unmatched in quality, the Advanced Car Conditioning Unit promises superior performance and longevity. It is an essential component for anyone seeking to optimize their vehicle's climate control system.Innovate your vehicle experience with the High-Efficiency Car Condenser Compressor, where advanced technology meets exceptional performance. This compressor is designed to set new standards in car air conditioning efficiency.
Preview

Preview

Preview

Preview

Preview

Preview

Preview

Preview

Preview
采用快速充气技术的智能高效汽车压缩机
¥398.2 ~ ¥506.8
运输工具制造产业链 · 汽车空调系统 · 汽车冷凝器
型号高效能源汽车压缩机
产地中国