





Preview
基本信息产品详情
基本信息
型号 | DNC |
双作用缸型 | 共用气缸 |
工作压力范围 | 0.15~0.7 Mpa |
工作温度 | -10-60摄氏度 |
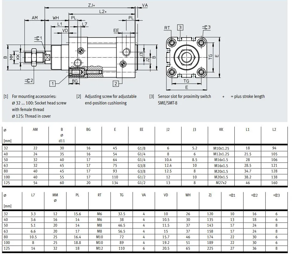
镗孔尺寸 | 6~25 mm(可定制) |
笔触大小 | 50~150 mm(可定制) |
运输包装 | 纸箱 |
商标 | LOSN |
起源 | 中国 |
HS编码 | 84149090 |
产能 | 10000件/月 |
产品详情
How to order
Preview

Preview
Detailed Photos
Preview

Preview

Preview

Preview

Preview

Preview
Company Profile
Preview

Preview
Packaging & Shipping
Preview

Preview
Certifications
Preview

Preview
FAQ
Preview
Q1: Are you the factory or trading company?
Preview
DNC 32/40/50/63/80/100/125标准气动气缸DNC出厂价
¥57.92 ~ ¥72.4
智能设备产业链 · 执行器 · 气缸
型号DNC
运输包装纸箱
产地中国