





Preview
基本信息产品详情
基本信息
| 型号 | BAFS3000 |
| 相对湿度 | 40%<相对湿度<60% |
| 温度范围 | -25播放C ~+85播放C |
| 标准条件 | 空气,0ºC,101.325kpa |
产品详情
BAFS3000 series mass gas flow sensor is made of micro-electro-mechanical system (MEMS) flow sensor chip, which is suitable for clean, relatively dry, low-flow gas measurement and process control for various purposes. The unique packaging technology enables the product to meet different ranges of flow. measurement, ensuring high sensitivity, high reliability, high stability and low cost.Accurate flow signal is obtained, and the corresponding compensation algorithm is processed internally, so there is no need to do any external calibration compensation to ensure high-precision flow output;
Charcteristics:*High accuracy (1.5% F.S accuracy)*Linear output and no temperature compensation required*Long-term stability with minimal zero drift*Solid-state sensing core (no surface voids or fragile membranes), resistant to clogging and pressure shocks*Fast response time (1ms response time)*Wide flow range 0sccm -2000sccm*Able to adapt to relatively humid gas measurement
Application:
Oxygen concentrators; respirators and respirators; nebulizers; continuous positive airway pressure (CPAP) equipment Anesthesia delivery; leak detection; spectrometer; mass flow controller; communication system; environmental climate control
Notice:*The product is best used in the environment of clean gas; not suitable for the environment with a lot of dust, oilpollution and multiphase flow; for the environment with a lot of water vapor, please contact the manufacturer inadvance.*Products are suitable for gas measurement, monitoring and control in automotive, industrial, commercial, equipmentand other industries. Use in other unsuitable environments should be strictly controlled.*When using or applying this product, you should strictly follow the relevant operating specifications and safetyprecautions and requlations for operators.
Product Parameters
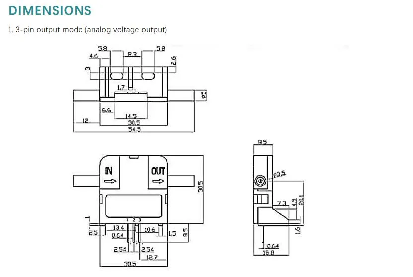
Dimensions
Charcteristics:*High accuracy (1.5% F.S accuracy)*Linear output and no temperature compensation required*Long-term stability with minimal zero drift*Solid-state sensing core (no surface voids or fragile membranes), resistant to clogging and pressure shocks*Fast response time (1ms response time)*Wide flow range 0sccm -2000sccm*Able to adapt to relatively humid gas measurement
Application:
Oxygen concentrators; respirators and respirators; nebulizers; continuous positive airway pressure (CPAP) equipment Anesthesia delivery; leak detection; spectrometer; mass flow controller; communication system; environmental climate control
Notice:*The product is best used in the environment of clean gas; not suitable for the environment with a lot of dust, oilpollution and multiphase flow; for the environment with a lot of water vapor, please contact the manufacturer inadvance.*Products are suitable for gas measurement, monitoring and control in automotive, industrial, commercial, equipmentand other industries. Use in other unsuitable environments should be strictly controlled.*When using or applying this product, you should strictly follow the relevant operating specifications and safetyprecautions and requlations for operators.
Product Parameters
Dimensions
Preview

Preview

Preview
Installation Instructions
Preview

Preview
Disclaimer
Preview

Preview
Bafs 3000宽流量范围质量气体流量传感器0 sc厘米-2000 sc厘米
¥362 ~ ¥3620
运输工具制造产业链 · 汽车传感器 · 流量传感器
型号BAFS3000


南京
已认证


