




Preview
基本信息产品详情证书
基本信息
型号 | KW-2004 |
输出信号类型 | 数字类型 |
生产流程 | 普通绕线型 |
国家/ 州/ 状态 | 静态 |
国际防护等级 | IP64 |
定制的 | 按照您的要求 |
材料 | 不锈钢 |
线性 | ≤0.2%满量程(Fs) |
爬行 | ≤0.2%全量程 |
可重复性 | ≤0.05% Fs |
通信协议 | RS485 |
桥接电阻 | 700欧姆 |
安全过载 | 200%满量程 |
有限过载 | 300% 满量程 |
交通总包 | 纸箱/瓦楞纸箱 |
规格 | 61毫米 |
商标 | 昆威 |
起源 | 中国 |
生产能力 | 每年2万件 |
包装尺寸 | 35.00厘米乘以27.00厘米乘以11.00厘米 |
包装总重量 | 2.000千克 |
包装大小 | 35.00厘米乘以27.00厘米乘以11.00厘米 |
包装总重量 | 2.000千克 |
产品详情
Kunwei 66Nm Torque load cell 61mm Force Sensor Load Sensor for Industry Robot
Preview

Preview
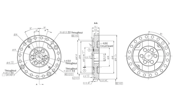
KWR61N66 series torque sensor is designed for measuring the torque value of robot joint. It has unique design with disc deign, low height and double flange structure, to provide enough installation stength and stiffness.
Features:
Embeded digital signal circuit, output RS485 digital signal.
Torque measurement in clokwise and counterclockwise directions.
The strcuture of double flanges, making the sensor loading surface and support surface have a relatively stable boundary.
Support to custom solutions according to your needs, not only standard size, but also structure design.
Double flange structure is adopted to ensure more stable sensor installation.
How to choose a proper sensor?
Note:F stands for force,T stands for torque.
Features:
Embeded digital signal circuit, output RS485 digital signal.
Torque measurement in clokwise and counterclockwise directions.
The strcuture of double flanges, making the sensor loading surface and support surface have a relatively stable boundary.
Support to custom solutions according to your needs, not only standard size, but also structure design.
Double flange structure is adopted to ensure more stable sensor installation.
How to choose a proper sensor?
Note:F stands for force,T stands for torque.
Preview
FAQ
Preview
1.How to place an order ?Just
provide us
your application&requirement and we`ll help you confirm all the details.2.What is lead time?
3-5 working days
if we have in stock;7-30 working days for bulk order.3. What is the MOQ?1 pc for testing is available for all types.4.Can you provide customized product?Of course and we can provide whole set solutions for you.5.What is after-sale service?Our R&D team will solve all your problems all the way since you get our product.
Kunwei 66Nm Torque load cell 61mm Force Sensor Load Sensor for Industry Robot
Kunwei 66Nm Torque load cell 61mm Force Sensor Load Sensor for Industry Robot
Kunwei 66Nm Torque load cell 61mm Force Sensor Load Sensor for Industry Robot
provide us
your application&requirement and we`ll help you confirm all the details.2.What is lead time?
3-5 working days
if we have in stock;7-30 working days for bulk order.3. What is the MOQ?1 pc for testing is available for all types.4.Can you provide customized product?Of course and we can provide whole set solutions for you.5.What is after-sale service?Our R&D team will solve all your problems all the way since you get our product.
Kunwei 66Nm Torque load cell 61mm Force Sensor Load Sensor for Industry Robot
Kunwei 66Nm Torque load cell 61mm Force Sensor Load Sensor for Industry Robot
Kunwei 66Nm Torque load cell 61mm Force Sensor Load Sensor for Industry Robot
Preview
Company Profile
Preview

Preview
Our Advantages
Preview

Preview
Application
Preview

Preview
Certifications
Preview

Preview
Partnership
Preview

Preview
Packaging & Shipping
Preview

Preview
证书
标题:CE



Preview
昆威66纳米扭矩传感器、61毫米力传感器、工业机器人负载传感器
¥1810 ~ ¥6516
消费电子产业链 · 传感器 · 扭矩传感器
型号KW-2004
产地中国