





Preview
基本信息产品详情证书
基本信息
型号编号 | HM9B |
国际防护等级 | IP67 |
认证 | OIML |
定制的 | 定制的 |
容量 | 10到50吨 |
运输包 | 纸箱 |
规格 | CE |
商标 | 湿疹 |
起源 | 中国 |
生产能力 | 每月5万件 |
产品详情
Product Description
Preview

Preview

Preview

Preview
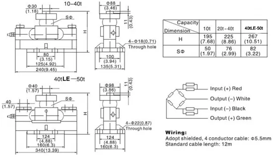
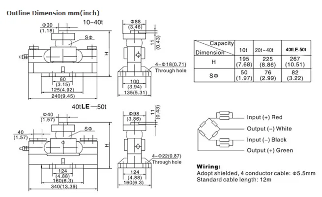
Zemic OIML Weighbridge Truck Scale Load Cell HM9B
HM9B load cell are available in the capacities 10t to 50t.Alloy steel construction, nickel plated , hermetically welded,oil-proof,waterproof and anti-corrosive gas and medium making it suitable for all kinds of environments.Dual shear beam, Suitable for electronic truck scales,railway scales and other electronic weighing devices.It is safety and anti-explosion product that can be used in atrocious weather and hazardous areas.Features:Capacity:10t to 50t.High accuracy.Alloy steel construction.Easy installation, reliable performance.With OIML approval.
HM9B load cell are available in the capacities 10t to 50t.Alloy steel construction, nickel plated , hermetically welded,oil-proof,waterproof and anti-corrosive gas and medium making it suitable for all kinds of environments.Dual shear beam, Suitable for electronic truck scales,railway scales and other electronic weighing devices.It is safety and anti-explosion product that can be used in atrocious weather and hazardous areas.Features:Capacity:10t to 50t.High accuracy.Alloy steel construction.Easy installation, reliable performance.With OIML approval.
Preview

Preview

Preview

Preview

Preview
证书
标题:NTEP证书

Preview