




Preview
基本信息产品详情证书
基本信息
型号 | SM11 |
输出信号类型 | 数字类型 |
特性 | 半导体 |
生产过程 | 普通绕线式 |
材料 | 不锈钢 |
防护等级 | IP67 |
认证 | ISO |
定制的 | 定制的 |
名义负载范围 | 100吨至350吨 |
模拟输出 | 10至12伏直流电 |
分类精度 | 0.05% Fs |
安全载荷限制 | 200% Fs |
防护类型 | IP67 |
交通包裹 | 标准包 |
规格 | 出口 |
商标 | 日月 |
起源 | 中国 |
商品编码 | 9031809090 |
生产能力 | 年产三百万件 |
产品详情
Product Description
Preview
Description:
Low profile dynamometer
Long term high stability
Completely LASER welded
For dynamic applications
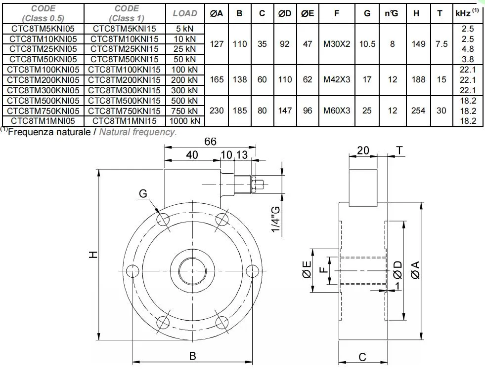
Dimensions
(In mm. 1mm=0.03937 inches):
Low profile dynamometer
Long term high stability
Completely LASER welded
For dynamic applications
Dimensions
(In mm. 1mm=0.03937 inches):
Preview

Preview
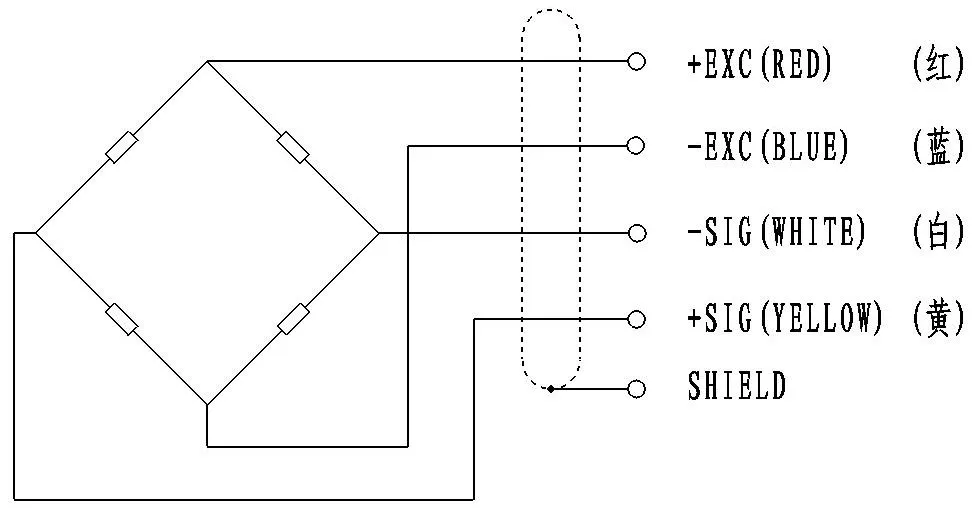
Circuit diagram
Preview

Preview
Specification:
Preview

Preview
Company Profile
Preview
The SUNMOON was founded in 1988. In 1995, the first batch of High-tech enterprises were recognized as national state-level. The SUNMOON also passed the certification of ISO 9001 Quality Management System,ISO14001 Environmental Management System and OHSAS 18001 Occupational Health and Safety Assessment Series. With SM series of products measuring instruments manufacturing license qualification and a variety of explosion- proof measurement and control products production qualification,mechanical and electrical equipment installation engineering professional contracting qualification. With independent intellectual property rights of the patented technology189terms. These is the SUNMOON's core competitiveness of the technology.The subject positioning classification of the SUNMOON's products is "Sensing and loT Technology"-sensor manufacturing and sensor application technology, information acquisition and processing technologies,loT technology and applications.These is the pioneer of modern high technology.The SUNMOON products are positioned to "reliably and steadily meet the harsh environment of the industrial site". The whole products system with forward-looking technology, application is convenient, the configuration is universal, now has more than 9000 number of clients from all walks of life. Have SM series weighing, load, pressure, torque, displacement, velocity, temperature and humidity sensors and the corresponding transmitter or amplifier, an annual output of 300 thousand units; an annual output of 20 thousand sets of all kinds of instrument; all kinds of projects completed 2000 terms of the annual capacity.The SUNMOON take Nanjing City as a scientific research base, making full use of Nanjing's talent advantage and international interests.With Bengbu City covers an area of 50,000 m'as the production and after-sales service base, and with local service as the goal, all the branches in different parts of the Country have jointly formed a complete scientific research, production and after-sales service system platform, which guarantees that The SUNMOON are in the lead of science and technology, innovation and forever the first. These is the SUNMOON's core competitiveness of the mechanism!
Company Pictures
Company Pictures
Preview

Preview

Preview

Preview

Preview

Preview

Preview

Preview

Preview

Preview

Preview
证书
标题:CE&Blasted Proof



Preview