Product

Preview
Product Description
Product Description
product Description
It is widely used in sorting, handling, loading and unloading, boxing, gluing and other aspects in electronics, food, medicine, daily chemical, logistics, new energy and other industries.
*: Please consult Yifei technicians for details regarding line, interface, etc. selection requirements.
*: Please consult Yifei technicians for details regarding line, interface, etc. selection requirements.
parameters

Preview

Preview
scope of work

Preview
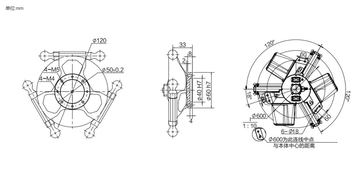
Installation size

Preview
Parallel -Bat800-S3
Negotiation
Smart Device Industry Chain · Intelligent Manufacturing Equipment · Industrial Robot
Samples Available|
Request Sample
Jinan
Authenticated100-499 EmployeesOther Manufacturing Industries




